建设项目竣工环境保护验收监测报告
项目名称: 年产160万套缓冲组件和12万米电缆护套项目
建设单位: 山东91看片视频网站高分子科技有限公司齐河分公司
山东91看片视频网站高分子科技有限公司齐河分公司
二О一八年四月
目 录
一、验收项目概况................................................................................................................................1
二、验收依据........................................................................................................................................2
2.1 法律法规依据..........................................................................................................................2
2.2 技术文件依据..........................................................................................................................2
三、建设项目工程概况........................................................................................................................4
3.1工程基本情况...........................................................................................................................4
3.2主要原辅材料及燃料...............................................................................................................7
3.3主要生产设备及环保设施.......................................................................................................7
3.4生产工艺流程...........................................................................................................................8
四、环境保护设施..............................................................................................................................12
4.1 污染物治理/处置设施 ..........................................................................................................12
4.2 环保设施投资及“三同时”落实情况................................................................................13
五、建设项目环评报告的主要结论与建议及审批部门审批决定..................................................155.1建设项目环评报告的主要结论与建议.................................................................................15
5.2环评批复要求.........................................................................................................................16六、验收执行标准..............................................................................................................................17
6.1 废水控制标准........................................................................................................................17
6.2 废气控制标准........................................................................................................................17
6.3 噪声控制标准........................................................................................................................17
6.4 固体废弃物检查标准............................................................................................................17
6.5总量控制标准.........................................................................................................................18
七、验收监测内容..............................................................................................................................19
7.1 环境保护设施调试效果........................................................................................................19
八、质量保证及质量控制..................................................................................................................20
8.1监测分析方法.........................................................................................................................20
8.2 人员资质................................................................................................................................20
8.3 废气监测分析过程中的质量保证和质量控制....................................................................20
8.4 噪声监测分析过程中的质量保证和质量控制....................................................................20
九、验收监测结果与分析评价..........................................................................................................21
9.1 生产工况................................................................................................................................21
9.2 环境保护设施调试效果........................................................................................................22
十、环境管理检查..............................................................................................................................27
10.1环境管理规章制度的建立及执行情况...............................................................................27
10.2环境保护档案管理情况检查...............................................................................................27
10.3环保治理设施的完成、运行、维护情况检查...................................................................27
10.4厂区环境绿化情况...............................................................................................................27
十一、验收监测结论..........................................................................................................................28
11.1环境保护设施调试效果.......................................................................................................28
11.2 结论......................................................................................................................................28
附图:
附图一、项目地理位置图
附图二、项目车间平面布置图
附图三、项目周边敏感目标图
附图四、项目车间照片
附图五、项目厂界噪声监测点位图
附图六、项目废气无组织监测点位图
附件:
附件一、项目环评批复
附件二、环境管理制度
一、验收项目概况
山东91看片视频网站高分子科技有限公司齐河分公司年产 160万套缓冲组件和 12万米电缆护套项 目属于新建项目,位于齐河县经济开发区经六路中段西侧门,设计年产 160 万套缓冲组件和 12万米电缆护套,占地 2508m2。该项目现有员工 20人,实行一班工作制,每天工作 8小时, 年工作 300天。该项目于 2017年由齐河县发展和改革局批准立项。根据《中华人民共和国环 境影响评价法》和中华人民共和国国务院 682 号令《建设项目环境保护管理条例》中有关规 定,山东91看片视频网站高分子科技有限公司齐河分公司于 2017年 12月委托时代盛华科技有限公司 编制完成了本项目的环境影响报告表。2017年 12月 22日齐河县环境保护局对其进行了批复, 批复文号:齐环报告表[2017]321号。2018年 1月项目开工建设,2018年 3月该项目现有生 产设施和配套的环保设施运行正常,因企业生产设备未上全,并在一段时间内暂时不进新设 备,故企业申请分批进行环保验收。
该项目验收范围为与本项目有关的各项环境保护设施和环境影响报告表规定应采取的其 他各项环境保护措施。验收内容为各项环境保护设施能否正常运行,处理效率和处理后污染 物排放情况是否达标,所采取的环境保护措施是否有效。
受山东91看片视频网站高分子科技有限公司齐河分公司委托,山东骁然检测有限公司承担本项目 竣工环境保护验收监测工作。根据国环规环评[2017]4 号文《关于发布<建设项目竣工环境保 护验收暂行办法>的公告》及其附件《建设项目竣工环境保护验收暂行办法》的规定和要求, 山东骁然检测有限公司技术人员于 2018年 3月对本项目进行了现场勘查和资料核查,查阅了 有关文件和技术资料,检查了污染物治理及排放、环保措施的落实情况,在此基础上编制了 验收监测方案。2018年 3月 30日-31日对该项目进行了验收监测。
在现场检查、资料核查和监测数据的基础上,山东91看片视频网站高分子科技有限公司编制本验 收监测报告。
二、验收依据
2.1 法律法规依据
(1)《中华人民共和国环境保护法》(2015.1);
(2)《中华人民共和国环境影响评价法》(2016.9);
(3)《中华人民共和国大气污染防治法》(2016.1);
(4)《中华人民共和国水污染防治法》(2018.1);
(5)《中华人民共和国环境噪声污染防治法》(1997.3);
(6)《中华人民共和国固体废物污染环境防治法》(2016.11);
(7)《中华人民共和国突发事件应对法》(2007年 8月);
(8)国务院令 682号修订《建设项目环境保护管理条例》(2017.7.16);
(9)《关于建设项目竣工环境保护验收现场检查及审查要点的通知》(环办【2015】113号);
(10)环境保护部《建设项目竣工环境保护验收暂行办法》(2017.10.1);
(11)《建设项目竣工环境保护验收技术指南 污染影响类》环办环评函[2017]1529号;
(12)《关于印发<德州市环境保护局建设项目竣工环境保护验收实施方案>的通知》(德环
函[2018]10号);
(13)环境保护部国环规环评〔2017〕4号《关于发布<建设项目竣工环境保护验收暂行办法>
的公告》2017年 11月 20日;
(14)《关于印发环评管理中部分行业建设项目重大变动清单的通知》(环办[2015]52号)
(15)《大气污染物综合排放标准》(GB16297-1996);
(16)《污水排入城镇下水道水质标准》(GB/T 31962-2015);
(17)《工业企业厂界环境噪声排放标准》(GB12348-2008);
(18)《一般工业固体废物贮存、处置场污染控制标准》(GB18599-2001)及其 2013 年修改单;
2.2 技术文件依据
(1)《山东91看片视频网站高分子科技有限公司齐河分公司年产 160万套缓冲组件和 12万米电缆护套项目环境影响报告表》(时代盛华科技有限公司,2017.12);
(2)《山东91看片视频网站高分子科技有限公司齐河分公司年产 160万套缓冲组件和 12万米电缆护套项目环境影响报告表的审批意见》(齐环报告表[2017]321号);
(3)《山东91看片视频网站高分子科技有限公司齐河分公司年产 160万套缓冲组件和 12万米电缆护套项目检测报告》(山东骁然检测有限公司,2018.4)。
三、建设项目工程概况
3.1工程基本情况
3.1.1项目名称:年产 160万套缓冲组件和 12万米电缆护套项目。
3.1.2项目性质:新建。
3.1.3工程规模:年产 160万套缓冲组件和 12万米电缆护套项目。
3.1.4地理位置及厂区平面布置
山东91看片视频网站高分子科技有限公司齐河分公司位于齐河县经济开发区经六路中段西侧门,为租赁山东八达国际工程机械有限公司厂房,东临经六路,南临京福高速,西临在建厂房,北临山东嘉豪装饰材料有限公司。本项目地理位置图见附图一。
该项目环评未设置大气环境防护距离,本项目卫生防护距离为 100 米,距离本项目生产车间最近的环境敏感目标为东侧的双庙宋村(150m)。该项目周边环境敏感点分布情况见附图二。
该项目租赁的厂房成矩形,东、西厂界各设 1 个出入口,供人流、物流通过。西侧为空厂房未用,中间设一个门隔开东西厂房,北侧设置生产区,南边为仓库和发货区。厂区平面布置见附图三。
3.1.6项目组成
该项目主要从事缓冲组件和电缆护套的生产,设计年产 160万套缓冲组件和 12万米电缆护套,实际总投资 100万元。该项目主要建设内容包括主体工程、辅助工程、公用工程和环保工程,如表 3-1所示。
3.2主要原辅材料及燃料
该项目所用原辅料见表 3-2。
3.3主要生产设备及环保设施
本项目主要生产设备见表 3-3。
本项目主要的环保设施见表 3-4。
3.5给排水
该项目用水主要为生产用水和生活用水,生产用水为循环冷却水,本项目设 1 个循环冷却池,容积 0.8m³,因蒸发损耗补充新水量约为 7.2m3/a;生活用水为职工生活用水。年用水量为 300m3/a。
该项排水采用雨污分流。本项目无生产废水,废水主要为职工生活污水。
生活污水:职工生活污水产生量以生活用水量的 80%计,则本项目生活污水产生量为 240m3/a。项目生活污水经厂区化粪池处理后排入齐河县污水处理厂。
3.4生产工艺流程
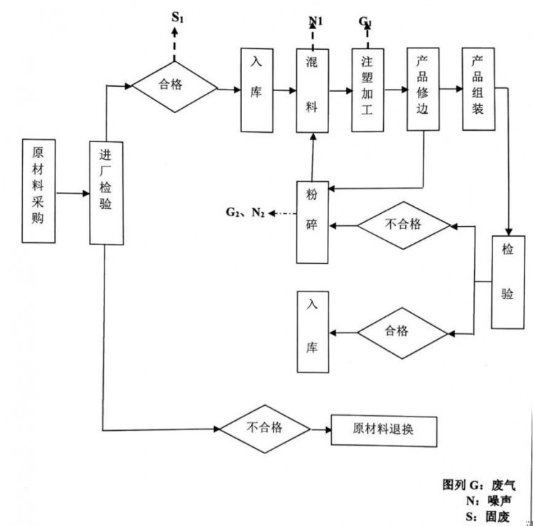
生产工艺流程及产污环节见图 3-1和 3-2所示:
图 3-1 电缆护套生产工艺及产污环节图
图 3-2 缓冲器组件生产工艺及产污环节图
生产工艺流程说明:
1、电缆护套生产工艺流程及产污环节
⑴进厂检验:厂家先对采购的原辅材料进行检验,合格的原辅料入库,不合格的原辅料退还给卖家。此环节会产生原材料的废包装袋和包装桶(S1)。
⑵混料:将颗粒状的增韧尼龙和色母加入混料机进行混合,混料机为封闭设备,且原料均为颗粒状,因此,此环节产污主要为噪声(N1),无废气和固废产生。
⑶注塑加工:将混合后的原料投入注塑机,原料先经注塑机的烘干料嘴在 100℃温度下,烘干 2h,使得原料的含水率达到6‰。烘干后,通过压力将原料推入注塑通道,在 160~170℃高温下进行成型。成型后的半产品通过冷却水进行间隔冷却。增韧尼龙的熔点在 260℃左右,色母的熔点在 280℃左右,因此,加热后原料成为半流体状态,会产生一定的非甲烷总烃(G1)。
⑷修边:由员工采用剪刀进行人工修剪半产品,修剪下的边角料投入到粉碎机进行粉碎后回用于生产,因此,粉碎时会产生粉尘(G2)和噪声(N2)。
⑸检验:通过拉力实验机进行检验,检验后的合格产品入库,不合格产品投入到粉碎机进行粉碎后回用于生产,因此,粉碎时会产生粉尘(G2)和噪声(N2)。
2、缓冲器组件生产工艺流程及产污环节
⑴进厂检验:厂家先对采购的原辅材料进行检验,合格的原辅料入库,不合格的原辅料退还给卖家。此环节会产生原材料的废包装袋和包装桶(S2)。
(2)加工:将聚乙烯板和9I看片成人免费视频板通过锯床进行裁剪,然后送入加工中心进行加工,此环节会产生噪声(N3)和少量裁剪后的边角料(S3)。
3.5项目变更
本项目实际建设情况与环评及批复要求变更情况见表 3-5。
四、环境保护设施
4.1 污染物治理/处置设施
4.1.1 废水
本项目无生产废水产生;生活污水由化粪池处理后,经市政污水管网排入齐河县惠民水质净化厂集中处理。
4.1.2 废气
该项目废气主要包括粉碎粉尘、注塑废气。其主要废气治理/处置设施见表 4-1。
4.1.3 噪声
该项目噪声主要是鼓风干燥箱、锯床等设备运行时产生的噪声。该项目将主要噪声设备布置在车间内,采用安装减振衬垫、建筑隔音、距离衰减等措施降噪。
4.1.4 固体废物
该项目生产过程中产生的固体废物主要为聚乙烯板和9I看片成人免费视频板边角料、原料使用后废弃的包装袋、包装桶以及员工产生的生活垃圾。该项目固废情况见表 4-3。
4.2 环保设施投资及“三同时”落实情况
4.2.1 环保设施投资
该项目实际总投资 100万元,实际环保投资为 20万元,占总投资的 20%。环保投资情况见表 4-4。
4.3.2 “三同时”落实情况
该项目环保设施实际建设情况与环评情况一览表见表 4-5。
五、建设项目环评报告的主要结论与建议及审批部门审批决定
5.1建设项目环评报告的主要结论与建议
5.1.1主要结论
(1)大气环境影响分析
本项目产生的主要废气为非甲烷总烃及粉尘。非甲烷总烃经集气罩抽负压收集后进入UV光催化氧化处理然后通过 15米高排气筒排放,非甲烷总烃能够满足《大气污染物综合排放标准》(GB 16297-1996)表 2中有组织排放二级标准中最高允许排放速率限值(排气筒高度15m,10kg/h)最高排放浓度(120mg/m3)。
粉尘经集气罩抽负压收集后进入布袋除尘器处理然后通过 15米高排气筒排放。粉尘排放浓度满足《山东省区域性大气污染物综合排放标准》(DB37/2376‐2013)表 2重点控制区(排放浓度≤10 mg/m3)最高允许排放浓度限值;排放速率执行《大气污染物综合排放标准》(GB 16297‐1996)表 2二级排放标准限值的要求(15m高排气筒≤3.54kg/h)。
(2)地表水环境影响分析
本项目无生产废水产生,只产生生活污水。本项目生活污水的排放量为 240m3/a(按用水量的 80%计,共计 20人)。本项目生活污水经化粪池处理后排入齐河县惠民污水处理厂集中处理,满足《污水排入城镇下水道水质标准》(GBT31962-2015)表 1中 A级标准浓度限值,对周围地表水环境影响较小。
(3)声环境影响分析
本项目主要噪声源为混料机、鼓风干燥机、粉碎机以及锯床等设备运行过程产生的噪声,噪声级为 85~95dB(A)。所有高噪声设备均布置在车间内,采用安装减振衬垫、建筑隔音、距离衰减使厂界噪声达标排放。经采取以上措施后,经预测,厂界噪声和敏感点噪声均能够达到《工业企业厂界环境噪声排放标准》(GB12348—2008)表 1 中 3类标准的要求,对周围声环境影响不大。
(4)固体废物环境影响分析
本项目生产过程中产生的固体废物主要为聚乙烯板和9I看片成人免费视频板边角料、原料使用后废弃的包装袋、包装桶以及员工产生的生活垃圾等。本项目切割的聚乙烯板和9I看片成人免费视频板边角料回收后出售;废弃的包装袋外售;包装桶由厂家回收再利用;生活垃圾由当地环卫部门统一清运。
通过以上分析,本项目在各项污染防治措施得到落实的前提下,于环境保护的角度是可行的。
5.1.2建议
(1)建设单位必须认真执行“三同时”的管理制度,切实落实本环境影响分析报告中的环保措施,建立健全管理制度和监督管理制度,确保营运期各种污染物达标排放。
(2)对于化粪池,要做好防腐、防渗处理,防止生活污水下渗污染地下水。
(3)固体废物防治措施:加强垃圾资源化、减量化管理。
(4)要求项目加强车间内的通风排气,保持车间空气流通。同时作业点的工人作业时应佩带口罩,并作好安全防护措施。
(5)加强企业管理的同时。强化职工的环保教育,提高环境保护的意识,加强环境管理,提倡清洁文明生产,落实好厂区绿化工作。
(6)定期检查维修厂区内配套设备,以减少安全事故的发生。
(7)若建设方的经营规模,产品类型及加工工艺等内容发生变化,跟所提供资料差别较大,请另外去当地环保部门办理相关环保及环评手续。
5.2环评批复要求
(1)注塑工序产生的 VOCs,通过集气罩收集后,经 UV光氧催化装置处理,通过 15米高排气筒排放,确保符合《大气污染物综合排放标准》(GB16297-1996)表 2中二级标准;粉碎等工序产生的粉尘经布袋式收尘设备收集处理后,经 15m高排气筒排放,确保符合《山东省区域性大气污染物综合排放标准》(DB37/2376-2013)表 2“重点控制区”排放限值及《大气污染物综合排放标准》(GB16297-1996)表 2中二级标准。
(2)生活污水经化粪池沉淀处理,确保符合《污水排入城镇下水道水质标准》
(GB/T31962-2015)A级标准要求后,经市政污水管网排入齐河县惠民水质净化厂集中处理。
(3)营运过程中产生的机械噪声,通过经减振、消声、隔声等降噪措施,确保厂界噪声符合《工业企业厂界环境噪声排放标准》(GB12348-2008)中的 3类标准的要求。
(4)生产过程中产生的边角料、粉尘收集后回用于生产;废包装材料等收集后外售;生活垃圾集中收集后由当地环卫部门定期处理,不得随意倾倒。
六、验收执行标准
6.1 废水控制标准
本项目注塑冷却水循环使用不外排,无生产废水产生。生活污水由化粪池处理后,通过污水管网进入齐河县惠民水质净化厂处理后达标排放。因项目职工较少生产废水不能形成径流,故本次不进行废水监测。
6.2 废气控制标准
(1)无组织废气颗粒物、非甲烷总烃排放执行《大气污染物综合排放标准》
(GB16297-1996)表 2无组织排放监控浓度限值。
(2)有组织废气颗粒物排放执行《山东省区域性大气污染物综合排放标准》
(DB37/2376-2013)表 2标准要求及《大气污染物综合排放标准》(GB16297-1996)表 2二级标准要求;VOCS排放执行《大气污染物综合排放标准》(GB16297-1996)表 2中二级标准要求。
6.3 噪声控制标准
该项目夜间不生产,厂界噪声执行《工业企业厂界环境噪声排放标准》(GB 12348-2008)表一中 3类标准要求。
6.4 固体废弃物检查标准
固体废弃物属性判定依据《国家危险废物名录》(部令第 39号),贮存及处理管理检查依据《一般工业固体废弃物贮存、处置场污染控制标准》(GB18599-2001)及其修改单和《危险废物贮存污染控制标准》(GB18597-2001)及其修改单。
6.5总量控制标准
国家确定“十三五”期间将主要水污染物 COD(化学需氧量)、氨氮和主要气污染物二氧化硫、氮氧化物等 4 项污染物纳入减排范围,作为约束性指标逐级下达并考核。本项目无生产废水,生活污水经化粪池沉淀后排入齐河县惠民水质净化厂处理。本项目废气主要是颗粒物、非甲烷总烃,不在受控范围内。
七、验收监测内容
7.1 环境保护设施调试效果
7.1.1 废气
7.1.1.1 有组织排放
7.1.3固废调查内容
调查本项目的固废产生来源、性质、产生量、处理处置量及处理方式。
八、质量保证及质量控制
8.1监测分析方法
8.1.1废气监测
8.2 人员资质
现场采样、分析人员均经技术培训、安全教育后持证上岗。
8.3 废气监测分析过程中的质量保证和质量控制
废气监测质量保证按照《环境监测技术规范》和《环境空气监测质量保证手册》的要求与规定进行全过程质量控制。
8.4 噪声监测分析过程中的质量保证和质量控制
厂界噪声监测质量保证按照《环境监测技术规范》噪声部分和标准方法有关规定进行。测量仪器和声校准器均在检定期限内使用;测量前后用声校准器校准测量仪器,示值偏差不大于 0.5dB(A);噪声在无雨雪、无雷电、风速小于 5m/s时监测。
九、验收监测结果与分析评价
9.1 生产工况
企业根据生产需要,现有生产设备的设计产量为原设计产量的一半,验收监测期间,满足现有环境保护设施竣工验收监测工况大于 75%的要求,详见表 9-1。
9.2 环境保护设施调试效果
9.2.1废气
1)有组织排放
由表 9-2~9-4得出,验收监测期间,废气处理装置排气筒出口两天内所测颗粒物、非甲烷总烃排放浓度最大值分别为5.72mg/m3、6.78mg/m3,小于标准限值 10mg/m3、120 mg/m3,最大排放速率分别为 0.0253kg/h、0.027kg/h,小于其标准排放速率限值 3.5kg/h、10kg/h。破碎工序经布袋除尘器、注塑工序经 UV光催化氧化装置处理后,颗粒物的排放浓度符合《山东省区域性大气污染物综合排放标准》(DB37/2376-2013)表 2重点控制区标准要求,其排放速率符合《大气污染物综合排放标准》(GB 16297-1996)表 2中二级标准要求。非甲烷总烃的排放浓度及排放速率符合《大气污染物综合排放标准》(GB 16297-1996)表 2中二级排放标准要求。
2)无组织排放
由表 9-6 得出,验收监测期间,无组织废气排放的颗粒物和非甲烷总烃最大排放浓度为0.564mg/m3和 1.34mg/m3,小于其标准排放浓度限值 1.0mg/m3和 4.0mg/m3,满足《大气污染物综合排放标准》(GB 16297-1996)表 2中无组织排放的标准限值要求。
9.2.2 噪声监测
由表 9-7 可知,验收监测期间,该项目昼间厂界噪声监测结果符合《工业企业厂界环境噪声排放标准》(GB12348-2008)3类标准要求(昼间 65dB(A)、夜间 55 dB(A))。
9.2.3固体废弃物处置情况调查
该项目生产过程中产生的固体废物主要为聚乙烯板和9I看片成人免费视频板边角料、原料使用后废弃的包装袋、包装桶以及员工办公生活产生的生活垃圾。该项目固废情况见表 9-8。
9.2.4总量控制
国家确定“十三五”期间将主要水污染物 COD(化学需氧量)、氨氮和主要气污染物二氧化硫、氮氧化物等 4 项污染物纳入减排范围,作为约束性指标逐级下达并考核。本项目无生产废水,生活污水经化粪池沉淀后排入齐河县惠民水质净化厂处理。本项目废气主要是颗粒物、非甲烷总烃,不在受控范围内。
十、环境管理检查
10.1环境管理规章制度的建立及执行情况
山东91看片视频网站高分子科技有限公司齐河分公司于 2018年 1月建立了《环境保护管理制度》,明确了环境保护管理职责,并严格执行公司环境保护管理规定。
10.2环境保护档案管理情况检查
与工程有关的环保档案资料(如环评报告、环评批复、环保制度等)均由办公室按规定进行分类、合订、编号、存档、保管。
10.3环保治理设施的完成、运行、维护情况检查
该项目环保设施基本按环评要求建成,验收监测期间运行正常。各项环保设施的日常管理维护由各车间负责,发现问题及时整改,确保环保设施的正常运行。
10.4厂区环境绿化情况
该项目厂区空地未进行绿化。
十一、验收监测结论
11.1环境保护设施调试效果
(1)废水
本项目无生产废水产生,生活污水依托厂区现有化粪池沉淀后排入齐河惠民污水净化厂处理。
(2)废气
验收监测期间,破碎工序经布袋除尘器、注塑工序经 UV 光催化氧化装置处理后,颗粒物的排放浓度符合《山东省区域性大气污染物综合排放标准》(DB37/2376-2013)表 2 重点控制区标准要求,其排放速率符合《大气污染物综合排放标准》(GB 16297-1996)表 2中二级标准要求。非甲烷总烃的排放浓度及排放速率符合《大气污染物综合排放标准》( GB16297-1996)表 2中二级排放标准要求。
验收监测期间,本项目无组织废气颗粒物和非甲烷总烃的排放浓度达到《大气污染物综合排放标准》(GB16297-1996)表 2无组织排放监控浓度限值。
(3)噪声
本项目昼间厂界噪声监测结果符合《工业企业厂界环境噪声排放标准》(GB12348-2008)1类标准要求(昼间标准值:65dB(A)、夜间 55 dB(A))。
(4)固体废弃物
本项目聚乙烯板和9I看片成人免费视频板边角料、原料使用后废弃的包装袋属一般工业固体废物,收集暂存后外售综合利用;包装桶收集后厂家回收再利用,生活垃圾集中收集后由环卫部门集中处置,废 UV灯管产生周期较长,项目暂未产生,待产生后立即签订危废协议。
综上所述,该项目验收监测期间工况满足大于 75%的要求,验收监测结果具有代表性。该项目废气排放浓度、厂界噪声强度符合环评批复的要求,该项目环境保护设施验收合格。
11.2 结论
该项目执行了国家建设项目环境能够保护法律法规,环保审批手续齐全;环评提出的污染防治措施及环评批复要求基本落实到位,固体废弃物得到合理处置;环保审批手续齐全,环保投资落实到位,环保管理机构与职责明确,建立了危废管理体系。因此,该项目符合竣工环境保护验收的要求。
注:1、排放增减量:(+)表示增加,(-)表示减少。2、(12)=(6)-(8)-(11),(9)=(4)-(5)-(8)-(11)+(1)。3、计量单位:废水排放量——万吨/年;废气排放量——万标立方米/年;工业固体废物排放量——万吨/年;水污染物排放浓度——毫克/升;大气污染物排放浓度——毫克/立方米;水污染物排放量——吨/年;大气污染物排放量——吨/年。
